Solarleuchte im Eigenbau - Bauteileauslegung

Fragen zu Schaltungen, Elektronik, Elektrik usw.

Moderator: T.Hoffmann

Antworten
Benutzeravatar
Qs'Tree
Mega-User
Mega-User
Beiträge: 196
Registriert: So, 04.06.06, 19:30
Wohnort: Bayern

So, 04.06.06, 19:49

Hallo zusammen,

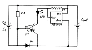
ich wollte mir einige Solarlampen, mit ultrahellen LEDs, für den Garten basteln. Bevor ich aber lange auf Fehlersuche gehe, wollte ich euch mal fragen ob meine Schaltung so überhaupt funktionieren kann. Wie müssen die Bauteile geändert werden, damit das überhaupt funktioniert? Das LED Treiber Modul sollte kein Problem darstellen, aber welchen Transistor bei welchen Widerstandswert, damit das Ding bei Dunkelheit auch einschaltet bzw. nicht zu früh? :roll:
Welche Auslegung benötige ich für eine 0.5Watt LED weiß 14000mcd 75° 5mm 3.5V (max. 125mA) bzw. für hyperhelle LED weiß 16000mcd 20° 5mm 3.6V (30mA)?
Bei der 0,5Watt LED sind vermutlich auch der Akku + Solarmodul unterdimensioniert!!!

Evtl. hat ja einer eine Simulationssoftware für sowas :wink:

greetz
Qs'Tree
583_Solarlampe_3.gif
583_Solarlampe_3.gif (16.04 KiB) 160533 mal betrachtet
Nachtrag: Diese Schaltung funktioniert nicht !!!
Zuletzt geändert von Qs'Tree am Mo, 09.07.07, 16:05, insgesamt 2-mal geändert.
Benutzeravatar
Qs'Tree
Mega-User
Mega-User
Beiträge: 196
Registriert: So, 04.06.06, 19:30
Wohnort: Bayern

So, 04.06.06, 20:01

Ich glaube ich habe auch noch einen Fehler im Schaltplan gefunden. Hier die korrigierte Version.
583_Solarlampe2_1.gif
583_Solarlampe2_1.gif (7.17 KiB) 160595 mal betrachtet
Nachtrag: Diese Schaltung funktioniert nicht !!!
Zuletzt geändert von Qs'Tree am Mo, 09.07.07, 16:05, insgesamt 4-mal geändert.
Benutzeravatar
Neo
Auserwählter
Auserwählter
Beiträge: 2631
Registriert: Fr, 25.02.05, 23:22
Wohnort: hessen-wisbaden
Kontaktdaten:

So, 04.06.06, 20:01

also ich würde das mit goldcap Kondensatoren realisieren :wink:

aber genauer weiter helfen kan ich dir da nicht
ich habe nicht die passende Software um so was zu simulieren
Benutzeravatar
Qs'Tree
Mega-User
Mega-User
Beiträge: 196
Registriert: So, 04.06.06, 19:30
Wohnort: Bayern

So, 04.06.06, 20:06

Gleich mal Danke für den Tipp. Werde ich mal überdenken. :wink:
Evtl. weiß ja einer wie R1 & T1 ausgelegt werden müssen, damit das ganze System überhaupt tut.
Benutzeravatar
Neo
Auserwählter
Auserwählter
Beiträge: 2631
Registriert: Fr, 25.02.05, 23:22
Wohnort: hessen-wisbaden
Kontaktdaten:

So, 04.06.06, 21:00

also für mich sieht das mit r1 komisch aus er schließt ja die solarzelle kurz
DnM
Hyper-User
Hyper-User
Beiträge: 1118
Registriert: Mi, 24.05.06, 20:58
Wohnort: Bonn
Kontaktdaten:

So, 04.06.06, 21:50

gefällt mir irgendwie auc hnet ich kann dir aber net sagen wo der fehler is hab mich damit seöbst noch net befasst aber irgendwie hab ich bei dem schaltplan so das gefühl das da was net stimmt
Benutzeravatar
Neo
Auserwählter
Auserwählter
Beiträge: 2631
Registriert: Fr, 25.02.05, 23:22
Wohnort: hessen-wisbaden
Kontaktdaten:

So, 04.06.06, 22:34

ich glaube unter r1 müsste noch ein Wiederstand ?

oder an B von T1 ?
RivaDynamite
Mega-User
Mega-User
Beiträge: 210
Registriert: Di, 04.04.06, 22:51

Mo, 05.06.06, 00:09

und die Diode unten sperrt sodass der Akku nicht geladen wird... oder?
Benutzeravatar
RoyBär
Mega-User
Mega-User
Beiträge: 385
Registriert: Sa, 25.02.06, 16:16
Wohnort: Berlin

Mo, 05.06.06, 08:09

Naja, ganz so einfach wie du dir das vorstellst wirds wohl nicht werden. Ich kann da mit meinem gefährlichem Halbwissen nur sagen,;
1.Das Modul PR4401 kannte ich bis jetzt nicht ist aber voll in Ordnung, soll heißen nicht schlecht
..und für deine Zwecke wohl genau das Richtige. Der zweite Schaltweise ist die Richtige.
2.In deiner Schaltung hast du nicht wirklich eine Akkuladeschaltung integriert. Soll heißen,
..du müsstest im Ladezustand, also Tagüber, den Ladestrom begrenzen. In deinem Fall würde das
..Panel aber mit dem max Strom, den Ladestrom des Akku wohl nicht übersteigen. Jetzt weiß ich
..nicht wie Konstant der max. Panelstrom ist, ob die 53 mA nur maxWert sind und in der Norm nur
..etwa 40 mA geliefert werder können. Das würde die Ladezeit dann in die länge ziehe, ist ja
..klar oder? :wink:
3.Was ich am wichtigsten finde, nach deinem Plan leuchtet die Leds auch tagsüber, dadurch würde
..dann aber die Akkuladung überbrückt werden, der Akku nicht geladen werden und Nachts wäre die
..Led dunkel. Also DÄMMERUNGSSCHALTUNG muss unbedingt noch rein. Tags die Led und das Modul vom
..Stromkreis trennen und Nachts das Panel vom Stromkreis trennen und die Led dafür über Akku
..laufen lassen.

Ich hoffe ich hab nichts übersehen, aber hier gibts gewiss noch andere im Forum die dir auch noch was dazu sagen können. Kurze Frage am Schluß, warum nicht billig kaufen und vielleicht noch selbst ein bissl dran rumbasteln, als alles selbst zu machen, das wird doch teuer, oder?

Grüsse Roybär
root
Mega-User
Mega-User
Beiträge: 459
Registriert: Di, 28.03.06, 21:32

Mo, 05.06.06, 10:17

RoyBär hat geschrieben:Kurze Frage am Schluß, warum nicht billig kaufen und vielleicht noch selbst ein bissl dran rumbasteln, als alles selbst zu machen, das wird doch teuer, oder?
Die Frage hab ich mir auch gestellt. Selbst wenn man mit der Lampe ansich nichts anfangen kann, so kannst du zumindest mit etwas Glück die Elektronik davon entfernen. Ich weiß nicht genau wie teuer sowas ist, aber ich meine schon solche Solar LED Lampen für 5€ gesehen zu haben. :roll:

Ist einfacher und vermutlich auch billiger als sowas selbst aufzubauen. Klar selberbauen macht sicherlich mehr Spaß aber z.B. der PR4401, woher bekommste den? hab gerade nur mal eben bei Reichelt und beim großen C geguckt, dort gab es den nicht.
monte310389
Mega-User
Mega-User
Beiträge: 433
Registriert: Mo, 15.05.06, 15:53
Kontaktdaten:

Mo, 05.06.06, 10:40

ich habe welche im graten stehen, könnte die ja auseinander bauen aber das findet meine mutter glaube nicht gut
Benutzeravatar
RoyBär
Mega-User
Mega-User
Beiträge: 385
Registriert: Sa, 25.02.06, 16:16
Wohnort: Berlin

Mo, 05.06.06, 12:11

Rein theoretisch könnte man aber sogar versuchen das Modul PR4401 in ähnlicher Form nach zu bauen.
Grundlage meiner überlegungen wäre da diese Schaltung von Mr_T. Wenn man vor die Spule noch ne BAW75 schaltet, wird der Akku nicht unter 1V entladen (Stichwort Tiefenentladung bei Akkus) und wenn nötig könnte man mit nem kleinen Kondensator sogar die Frequenz ein bissl eindämmen, müssen ja vielleicht nicht die geschätzten 25 kHz sein. Auf anderen Seiten spricht man von rund 9 kHz (Erfahrungswerte) bei ner Urspannung von 1 V für den Betrieb von 1´ner Led.

Das sind meine Überlegungen dazu.

Edit:
Ich glaub das mit der Frequenzbegrenzung ist doch nicht von Vorteil. Hab mich noch ein bissl mit dem Thema beschäftigt und siehe da, es heißt je höher die Frequenz desto heller scheint die Led zu leuchten. Fraglich dabei, wie Mr_t schon sagte, bastelt man damit vielleicht schon ein Störsender?
root
Mega-User
Mega-User
Beiträge: 459
Registriert: Di, 28.03.06, 21:32

Mo, 05.06.06, 12:44

Also angesichts der Leistung dürfte man, solange man "normale" LED's einsetzt keinen wirklichen Störsender haben und wenn dann nur mit einer wirklich sehr geringen Leistung. Aber sicher, das ist immer ein Problem bei getakteten Treiber, es entsteht nunmal eine gewisse Störstrahlung. Solange die Leistung gering ist sollte es aber wohl kein wirkliches Problem darstellen.
Werden die 25kHz irgendwo verwendet?
Benutzeravatar
Qs'Tree
Mega-User
Mega-User
Beiträge: 196
Registriert: So, 04.06.06, 19:30
Wohnort: Bayern

Mo, 05.06.06, 15:53

Besten Dank für die Tipps. :D

Den PR4401 gibt es unter http://www.ak-modul-bus.de/stat/led_treiber_pr4401.html

Ich wollte zunächst auch eine bestehende Solarlampe umbauen, aber dabei ist mein Basteltrieb erwacht.

Habe relativ komplexe Schaltpläne zu Lampen unter http://members.shaw.ca/novotill/SolarGa ... /index.htm gefunden. Bin aber überzeugt, dass es auch einfacher realisiert werden kann. :wink:
Benutzeravatar
RoyBär
Mega-User
Mega-User
Beiträge: 385
Registriert: Sa, 25.02.06, 16:16
Wohnort: Berlin

Mo, 05.06.06, 16:53

Also ganz ehrlich gesagt, einfacher wie auf den LINKS gehts nicht. Die Leute die diese Schaltungen entworfen haben, werden sich bei jedem Teil ihre Gedanken gemacht haben und komplex find ich die Schaltungen nicht. Die sind doch sehr kanpp gefasst mit genauer Bauteilangaben, besser gehts doch nicht. Den Plan den du erstellst hat, der funktioniert ja so noch nicht und wenn wir hier jetzt noch dran rumwerkeln wird er dann gewiss nicht weniger Bauteile aufweisen.

Meine Meinung, nimm einer der dir gegebenen Pläne und bau dannach, da hast du auch die Garantie, das dass dann so auch hinhaut. So klappts auf alle Fälle, eigene Projekte mit gefährlichem Halbwissen gehen ganz schön ins Geld und kosten Zeit. Ich weiß ja nun nicht in wie weit du schon Erfahrung in Sachen Elektronik hast, aber erst nachbauen und lernen und dann nach und nach eigene Sachen und noch mehr dabei lernen. :)
Benutzeravatar
Fightclub
Post-Hero
Post-Hero
Beiträge: 5114
Registriert: Mi, 01.03.06, 18:40

Mo, 05.06.06, 17:31

Würde ich auch empfehlen, selber basteln hat meist bei solchen sachen die tücke, dass man irgendetwas übersieht. Daher würde ich dir auch raten das ganze einfach nachzubauen, ist dann zwar etwas anspruchsloser aber es funktioniert fast immer.

PS: Danke für den Hinweis auf den PR4401, finde ich wirklich eine tolle sache, vorallem für selbsgebastelte Taschenlampen.
Mr_T
Mega-User
Mega-User
Beiträge: 262
Registriert: So, 05.02.06, 02:37

Mo, 05.06.06, 18:36

Um 25kHz effektiv abzustrahlen bräuchte man eine eeeeewig lange Antenne. Also macht die Schaltung da keine Probleme^^
Und sowieso: Bei der winzigen Leistung.....Who cares?

Cheers
root
Mega-User
Mega-User
Beiträge: 459
Registriert: Di, 28.03.06, 21:32

Mo, 05.06.06, 18:37

Also ich kann mich auch nur RoyBär's Meinung anschließen.

Du wirst mit deinem Wissen vermutlich nicht weit kommen, evtl. schickst du ein paar Bauteile in den Halbleiterhimmel die Schaltung will einfach nicht laufen und auf Dauer frustet das doch.

Die bei deinem Link angegebenen Schaltungen find ich eigentlich auch recht gut und wirklich schwer sieht das doch gar nicht aus. Versuch doch einfach mal eine von denen nachzubauen und sollten dann Probleme auftreten, kann sicherlich jemand weiterhelfen.

Den PR4401 find ich auch ziemlich praktisch und die kosten halten sich auch schön in grenzen. Schade nur, dass ein solcher IC nicht bei Reichelt, Pollin oder so zu finden ist auch der max. Strom könnte etwas größer sein, damit man auch mal ne Luxeon dran hängen kann. :wink:
Benutzeravatar
lithi
Hyper-User
Hyper-User
Beiträge: 1406
Registriert: So, 26.03.06, 16:49
Wohnort: Fuldabrück
Kontaktdaten:

Mo, 05.06.06, 19:55

mein vater kam neulich ma zu mir und mir zwei kaputte solarlampen gegeben! ich solle diese wieder flott machen!
weil ich die in weiß ziehmlich langweilig finde, habe ich gleich ma blaue leds reingemacht!

bei einer dieser lampen ist mir leider die platine zubruch gegangen! hab mir auch schon überlegt ma n topic aufzumachen, habs aber dann doch gelassen, hab momentan eh keine zeit um das ding zu bauen!
durch den link von Qs'Tree hab ich jetzt die schaltungen! thx!

meine frage ist jetzt mal, wie diese schaltungen schalten, damit sich der akku aufläd und bei dunkelheit die led leuchtet! kann sein das ich da was übersehen habe oder so!
denn die solarlampen die wir haben, sind fotowiderstände, die dafür sorgen.

Ps: diese lampen muss man nicht umbedingt kaufen! mein vater hat die ma reihn zufällig aufn sperrmüll gesehen.
das einzigste was daran kaputt war, was leicht zubeheben! bei einer war einfach nur der kontakt bei der led abgerissen und bei der zweiten ist die soße aus den akkus gelaufen und haben die kontakte besudelt!
also ma augen offenhalten dann bekommt man die dinger auch für lau
Benutzeravatar
Qs'Tree
Mega-User
Mega-User
Beiträge: 196
Registriert: So, 04.06.06, 19:30
Wohnort: Bayern

Mo, 05.06.06, 22:54

Natürlich könnte ich einfach eine der Schaltungen nachbauen, aber ich habe mir jetzt mehrere Solarlampen und Schaltpläne angesehen und bin auf sehr unterschiedliche Konzept gestoßen. Einge verwenden LDR andere wiederum verzichten darauf. Um so hochwertiger die Solarleuchten, um so einfacher (evtl. auf effizienter) werden die Schaltungen und PCB. Beigefügt das Foto, von der ich meine Schaltung abgeleitet haben.
Gerade mal 2 Widerstände (+ eine Brücke), eine Diode und ein weiters Bauteil von dem ich aber nicht sicher bin, dass es ein Transistor ist. Links oben und unten ist das Solarpanel angelötet, oben mitte der Anschlußstecker für den Akkupack (3,6V) rechts unten die Anschlußleitung zur weißen LED. Kein zusätzlicher Schnickschnack im Vergleich zu den den anderen Schaltungen. Evtl. kann einer mit dem Platinenlayout etwas anfangen
583_Solarlampe3_1.gif
583_Solarlampe3_1.gif (37.09 KiB) 160553 mal betrachtet
Zuletzt geändert von Qs'Tree am Sa, 24.06.06, 23:59, insgesamt 1-mal geändert.
Benutzeravatar
lithi
Hyper-User
Hyper-User
Beiträge: 1406
Registriert: So, 26.03.06, 16:49
Wohnort: Fuldabrück
Kontaktdaten:

Do, 08.06.06, 18:34

ich hab mir ma gedacht, sone solarlampe könnte man doch einfach mit nem fototransi ganz einfach umsetzen!
da hab ich mich grad ma dran gesetzt und nach 5min kam dann diese schaltung zustande!
451_Neu_Windows_Bitmap_Bild_1.jpg
da stehen jetzt keine werte drin weil ich es grad ma keine zeit hatte.
Benutzeravatar
RoyBär
Mega-User
Mega-User
Beiträge: 385
Registriert: Sa, 25.02.06, 16:16
Wohnort: Berlin

Do, 08.06.06, 18:55

Jetzt muss nur noch berücksichtigt werden das tagsüber die Led nicht leuchten darf; nur des Nachts und nur über den Akku betrieben wird. Das hiesst tagsüber muss die Led vom Stromkreis getrennt werden.
Ausserdem ist eine Ladeschaltung nicht schlecht, ansonsten würde der Akku vielleicht überladen und ginge kaputt.
Benutzeravatar
lithi
Hyper-User
Hyper-User
Beiträge: 1406
Registriert: So, 26.03.06, 16:49
Wohnort: Fuldabrück
Kontaktdaten:

Do, 08.06.06, 19:21

tagsüber leuchtet die led doch nicht! wenn kein licht mehr da ist, schaltet der fototransi nicht mehr und T2 schaltet, also leuchtet die led erst, wenn kein licht mehr da ist! so seh ich das
das mit der ladeschaltung könnte man einbauen, man könnte aber doch auch einfach ma n paar mehr akkus dranhängen, oder?
Mr_T
Mega-User
Mega-User
Beiträge: 262
Registriert: So, 05.02.06, 02:37

Do, 08.06.06, 19:33

Die Schaltung ist ok, allerdings würd ich als Transistor nen kleinen FET nehmen, da an dem keine ~0.7V abfallen (*1) und man ihn Stromlos ansteuern kann. Somit kann man als R1 ~1M nehmen und hat dort keine wirklichen verluste. Anstatt der LED würde ich den oben genannten Spannungswandler-IC einsetzen, wodurch die Lampe mit einem Akku betrieben werden kann.
Dann nimmt man einfach ein Solarmodul mit 3 Zellen (= ~1.5V) und kann sich die Ladeschaltung sparen, da mann Akkus mit 1.5V prima laden kann, besonders an den recht hochohmigen Solarzellen. An der Diode vom Solarmodul fallen noch ca. 0.3-0.5V ab (bei starker Last bis 1V, hier aber nicht), wodurch 4 Zellen benötigt werden, die Ausgangsspannung beträgt dann 1.5-1.7V. Sehr gut für nen Akku.

Neuer Schaltplan:
378_378_LED_Solar_1_1.jpg


Anhang:
*1: Vorteile Von FETs

FETs haben im Gegensatz zu normalen Transistoren keine Abfallspannung von (fast) konstant 0.7V, sondern einen ON-Widerstand. Nach diesem Widerstand und dem Strom, der durch den FET fließt richtet sich der Spannungsabfall und damit die Verlustwärme.

FET:
Bsp.: ROn = 0.01 Ohm, I = 5A: U = R * I = 0.01 Ohm * 5A = 0.05V Spannungsabfall-> P = U * I = 0.05V * 5A = 0.25W Verlustwärme

Transistor:
Bsp.: I = 5A: P = U * I = 0.7V * 5A = 3.5W Verlustwärme

Außerdem werden FETs leistungslos angesteuert, wodurch die steuernde Schaltung hochohmig ausgelegt sein kann->weniger Verluste.

Soviel dazu^^


Cheers
Benutzeravatar
lithi
Hyper-User
Hyper-User
Beiträge: 1406
Registriert: So, 26.03.06, 16:49
Wohnort: Fuldabrück
Kontaktdaten:

Do, 08.06.06, 19:38

aja! ok! werd ich dann mal wohl so machen! thx
Antworten